PL80/NW50 Sight Glasses with Light
Observing the contents in a processing vessel normally requires the use of two Sight Glasses: one for lighting, the other for viewing. The Series PL/NW eliminates the expense of an additional port and the expense to install it. The UL-1571 Listed Series PL lighting unit and the corresponding Series NW sight glass provide glare-free illumination precisely where you want it – at the viewing port.
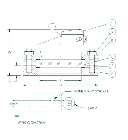
Specifications
| Nom. View Ø | 3 1/4 in |
|---|---|
| Power | 20 W |
| Dimension A | 3 1/4 in |
| Dimension B | 7 in |
| Dimension C | 1 3/16 in |
| Dimension D | 4 1/4 in |
| Approximate Weight | 20 lb |
| PL Light Housing Material | Aluminum |
| Housing Cover Material | Aluminum |
| Stud and Nut Material | Alloy steel |
| Upper Flange Material | Other Alloys Available |
| Lens Material | Tempered Soda Lime |
| Gasket Material | Neoprene |
| Lower Flange Material | 304L Stainless Steel |
| Industry Standards/Certifications | UL-1571 Listed |


