Series NW-BW-8
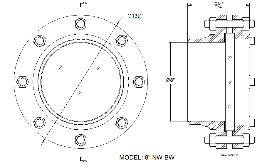
8″ ANSI B16.5 weld neck style sight glasses are designed for welding to a stub end pipe or may be supplied with a cut radius on the weld neck to straddle the side of a pipe. Each is rated for 150PSIG (10.3 Barg) at 300ºF (149ºC) with a tempered soda lime lens and 500ºF (260ºC) with a borosilicate lens.
Sight glass flanges are constructed using code materials. Optional accessories include Series PL, MSL, SLEX, REX, FBX illuminators, and Type I wipers.
Specifications
| Dimension A | 3 in (76 mm) |
|---|---|
| Dimension B | 13 1/2 in (343 mm) |
| Dimension C1 | 6 1/4 in (159 mm) |
| Approximate Weight | 75 lb (34 kg) |
| Connection Type | Buttweld |
| Rated Pressure at 300 °F (149 °C) Temperature | 150 psig (10.3 Barg) |
| Rated Pressure at 500 °F (260 °C) Temperature | 150 psig (10.3 Barg) |
| Lens Material | Tempered Soda Lime, Borosilicate Glass |
| Shape | Circular |
| Accessories | Series PL, MSL, SLEX, REX, FBX Illuminators, Type I Wiper |
Notes: 1 Dimension C contains the thickness of a standard heavy hexagon nut.

